Sika Greenstreak PVC Retrofit Waterstop Systems provide a reliable solution for sealing joints between new and existing concrete structures, preventing water infiltration and ensuring long-term durability. These systems are essential in applications where water resistance is critical, such as water treatment facilities, tunnels, and foundation walls. By creating a watertight barrier, they help protect structures from water damage, reducing maintenance costs and extending service life.
Designed for retrofit applications, these waterstops feature a PVC profile that forms a secure seal while accommodating joint movement. The system includes stainless steel batten bars and anchor bolts to reinforce the connection, ensuring a strong bond to the concrete. Structural epoxy gel enhances adhesion, helping to create a continuous and effective water barrier.
By using these retrofit waterstop systems, engineers and contractors can address the challenges of connecting new concrete to existing structures without compromising watertight integrity. These systems offer a practical and proven method for maintaining structural performance in demanding environments.
Applications:
- Water and wastewater treatment plants
- Lock and dam systems
- Bridge construction and expansion joints
- Tunnels, culverts, and underground structures
- Containment tanks and reservoirs
- Retaining walls and foundation waterproofing
Sika Greenstreak 655 PVC Retrofit System
The Sika Greenstreak 655 PVC Retrofit System is a high-performance waterstop designed for post-applied applications, providing a durable and watertight seal where new concrete meets existing structures. Unlike traditional waterstops embedded during initial construction, this retrofit system is mechanically anchored, making it an ideal choice for projects requiring effective waterproofing without invasive demolition. Constructed from flexible PVC, it ensures long-term durability, adaptability to movement, and superior resistance to chemical and environmental exposure.
Engineered for demanding environments, the 655 PVC Retrofit System is specifically designed for use in water and wastewater treatment facilities, bridge expansion joints, tunnels, and containment structures. Its 3-inch width provides optimal joint sealing, while its tensile strength of 2000 psi and ultimate elongation of 350% allow it to handle structural shifts and hydrostatic pressure without cracking or compromising performance. The material’s low water absorption rate of 0.15% max. prevents moisture retention and degradation over time, ensuring long-lasting reliability in wet conditions. Designed to withstand temperature fluctuations from -35°F to 170°F (-37°C to 77°C), this system performs consistently in harsh environments.
For secure installation, the 655 PVC Retrofit System is anchored using stainless steel batten bars and bolts, ensuring a mechanically reinforced connection to the existing structure. The addition of structural epoxy gel enhances adhesion, forming a continuous, watertight seal that effectively prevents leaks at critical joint intersections. Suitable for both movement and non-movement joints, this system provides proven performance in high-exposure applications, making it a trusted solution for long-term waterproofing and structural integrity.
Installation and Suitability:
Sika Greenstreak 655 PVC Retrofit System is designed for simple yet secure installation. The process involves anchoring the 10-foot PVC waterstop strip to the existing concrete surface using stainless steel batten bars and anchor bolts. Structural epoxy gel is applied to further enhance adhesion, creating a continuous barrier against water infiltration.
This retrofit waterstop is suitable for both movement and non-movement joints, making it an effective choice for projects requiring flexibility and long-term waterproofing. Its high tensile strength and elongation properties allow it to accommodate joint movement without compromising performance, ensuring reliable protection against water ingress in critical structural connections.
Sika Greenstreak 667 PVC Retrofit System
The Sika Greenstreak 667 PVC Retrofit System is a heavy-duty waterstop designed to provide long-lasting waterproofing where new concrete meets existing structures. Engineered for high-performance retrofit applications, this system effectively prevents water infiltration in critical construction projects without the need for invasive modifications. Its durable 9-inch-wide flexible PVC construction ensures superior adaptability to structural movement, while its tensile strength of 2000 psi (ASTM D638) delivers exceptional durability in high-exposure environments. This makes it an ideal solution for large-scale infrastructure projects, including bridges, tunnels, lock and dam systems, and foundation waterproofing.
Designed to withstand high hydrostatic pressure, the 667 PVC Retrofit System provides enhanced joint sealing through a mechanically anchored design. Stainless steel batten bars and anchor bolts secure the waterstop to the existing structure, while structural epoxy gel strengthens adhesion, ensuring a continuous, watertight barrier. The low water absorption rate of 0.15% max. prevents material breakdown over time, while temperature resistance from -35°F to 170°F (-37°C to 77°C) ensures consistent performance across varying climates. Resistant to environmental exposure and chemical degradation, this system meets or exceeds major industry standards, including those set by the Corps of Engineers and the Bureau of Reclamation.
The 667 PVC Retrofit System is designed for both movement and non-movement joints, allowing it to accommodate structural shifts while maintaining watertight integrity. Its heavy-duty construction and high-pressure resistance make it an excellent choice for large-scale water containment applications, ensuring long-term reliability in demanding infrastructure projects.
Installation and Suitability:
The Sika Greenstreak 667 PVC Retrofit System is installed by securing the 10-foot PVC waterstop strip to the existing concrete surface using stainless steel batten bars and anchor bolts. Structural epoxy gel is applied to create a secure bond, ensuring a watertight seal. This system is particularly well-suited for projects requiring a wider coverage area due to its 9-inch width and high-strength construction, making it ideal for high-pressure water containment applications.
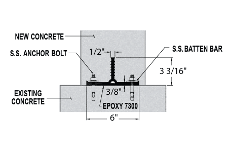
Sika Greenstreak 609 PVC Retrofit System
The Sika Greenstreak 609 PVC Retrofit System is a high-performance waterstop engineered to seal joints where new concrete meets existing structures. Unlike traditional embedded waterstops, this retrofit system is post-applied, making it an ideal choice for repair, expansion, and rehabilitation projects where maintaining watertight integrity is critical. Constructed from premium flexible PVC, it delivers exceptional durability, adaptability, and resistance to water infiltration, ensuring long-term protection in high-exposure environments.
With a 6-inch-wide profile, the 609 PVC Retrofit System strikes a balance between coverage and adaptability, making it effective for both movement and non-movement joints. Stainless steel batten bars and anchor bolts provide a secure mechanical attachment, while structural epoxy gel enhances adhesion, forming a continuous, watertight seal. Engineered to withstand high hydrostatic pressure, the system features a tensile strength of 2000 psi (ASTM D638) and an elongation capacity of 350%, allowing it to accommodate structural shifts while preventing leaks.
Designed for use in water treatment facilities, tunnels, bridges, dams, and containment structures, the 609 PVC Retrofit System ensures long-term water resistance in demanding environments. Its low water absorption rate of 0.15% max. prevents moisture retention and material degradation, while its temperature resistance from -35°F to 170°F (-37°C to 77°C) guarantees consistent performance in extreme conditions. Meeting or exceeding industry standards set by the Corps of Engineers and the Bureau of Reclamation, this system provides a reliable waterproofing solution for critical infrastructure projects.
Installation and Suitability:
The Sika Greenstreak 609 PVC Retrofit System is installed by anchoring the 10-foot-long PVC waterstop strip to the existing structure using stainless steel batten bars and anchor bolts. Structural epoxy gel is applied to reinforce adhesion and create a seamless water barrier. This mechanically anchored installation ensures a long-lasting and watertight seal, even in structures subjected to constant water exposure and movement.
With its moderate 6-inch width, the 609 PVC Retrofit System is a versatile solution for projects that require both flexibility and strength in sealing critical joints. It effectively handles high hydrostatic pressure while maintaining its integrity in chemically aggressive environments, making it a preferred choice for retrofitting aging infrastructure and connecting new concrete to existing structures.
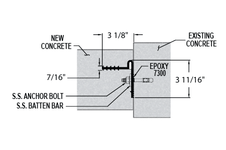
Sika Greenstreak 581 PVC Retrofit System
The Sika Greenstreak 581 PVC Retrofit System is a high-performance waterstop designed to seal joints where new concrete meets existing structures. Specifically engineered for retrofit applications, this system provides long-term waterproofing by creating a secure, watertight barrier in critical infrastructure projects. Constructed from flexible polyvinyl chloride (PVC), it offers exceptional durability, chemical resistance, and adaptability, making it a trusted solution for water containment structures, tunnels, bridges, and foundation waterproofing.
With a compact yet effective 3 1/8-inch-wide profile, the 581 PVC Retrofit System is ideal for projects requiring precision joint sealing without excessive material bulk. Stainless steel batten bars and anchor bolts provide a secure mechanical connection, while epoxy adhesive enhances bonding, ensuring a continuous, watertight seal that effectively prevents water infiltration. Engineered to withstand high hydrostatic pressure, the 581 system maintains structural integrity in both movement and non-movement joints, preventing leaks even under extreme conditions.
This high-strength waterstop features a tensile strength of 2000 psi (ASTM D638) and an ultimate elongation of 350%, allowing it to accommodate structural movement while resisting cracking and failure. Its temperature resistance from -35°F to 170°F (-37°C to 77°C) ensures consistent performance across a range of environmental conditions, while its resistance to chemical exposure and environmental degradation makes it suitable for long-term use in demanding applications. Meeting or exceeding industry standards set by the Corps of Engineers and the Bureau of Reclamation, the 581 PVC Retrofit System is a reliable choice for heavy-duty construction, repair, and expansion projects.
Installation and Suitability:
The Sika Greenstreak 581 PVC Retrofit System is installed by anchoring the 10-foot-long PVC waterstop strip to the existing structure using stainless steel batten bars and anchor bolts. An epoxy adhesive is applied to reinforce adhesion, creating a continuous, watertight seal that prevents water ingress at critical joint intersections.
Because of its compact width and high elongation capacity, the 581 PVC Retrofit System is ideal for applications requiring both flexibility and strength in sealing new-to-existing concrete joints. Its robust design makes it highly resistant to hydrostatic pressure and environmental exposure, ensuring long-term durability in even the most demanding construction environments.







